型錄說明
|
HD |
*** |
G02 |
DL |
|
方向切換閥 |
軸心迴路種類 |
閥體口徑尺寸 |
接線型式代號 |
|
油浸式電磁方向閥 |
請參閱 "技術支援" 附檔之軸心表 |
G02 1/4” (D03)(NG06) |
DL: 插頭式 |
|
B/E |
DC |
||
|
系列代碼 |
使用電壓 |
||
|
B系列 高效率低電流電磁方向閥 |
E系列 大流量電磁方向閥 |
DC12 |
DC24 |
附註:
1.
電磁線圈電壓種類請參考以下「電磁線圈常用機種特性表」。
2.
油路孔節流阻子選購時請註明節流孔的孔徑大小 (mm)。
3.
A、B手動定位調整型選購時請參考各系列手動調整電磁閥附表及說明。
4.
B型閥能有低電流值、低耗能、高功率等特性,符合經濟效益。
5.
B型電磁閥能保持與E型相同的出力與使用壓力。
6.
B型電磁閥低溫升,符合機器,油壓系統使用需求。
7.
全系列加大原有孔徑尺寸,大大提高原有孔徑的通過流量。
8.
B型與E型安裝尺寸均符合國際標準,有絕對互換性。
電磁線圈常用機種特性表
|
參數 型號 |
DC |
||
|
HD-G02 |
|||
|
使用電壓
(V) |
12 |
24 |
|
|
保持電流
(A) |
B型 |
1.72 |
1.05 |
|
E型 |
2.60 |
1.30 |
|
|
防護等級 |
IP65 |
||
|
線圈銅線使用等級 |
PEWH級 |
||
|
線圈耐溫程度 |
180°C |
||
附註:
1.
全系列使用電壓有±10%的操作範圍。
2.
本公司線圈備有其他電壓提供。
B型VS.E型電磁線圈溫昇表現
1.
全系列使用電壓有±10%的操作範圍。
2.
本公司線圈備有其他電壓提供。
3.
以AC220V線圈為例。

B型系列、E型系列電磁閥之優點
1. 本體採雙迴油溝設計,將各油溝加大,使其通過流量增加並提高使用壓力。
2. 軸心採加大設計,增加軸孔通過流量,減少內部抵抗,增加容許背壓。
3. 線圈採用最新型特殊設計,能有效達到低耗能、高效率並且降低電流值,能提供與E型的電磁閥相同的出力與使用壓力,請參閱壓力曲線表。
4. 安裝尺寸與外觀尺寸皆與E型電磁閥皆相同。
5. 本公司以B型電磁閥提論,不僅讓貴公司提升產品品質及水準,更是提高競 爭力的優質首選。
壓力曲線表
|
型號 |
壓力曲線表 |
最高容許背壓 |
||||
|
P→A |
B→T |
P→B |
A→T |
P→T |
kgf/cm² |
|
|
HD-2B2-G02 |
(5) |
(5) |
(2) |
(2) |
- |
120 |
|
HD-2B3-G02 |
(4) |
(4) |
(2) |
(1) |
- |
120 |
|
HD-2B8-G02 |
(2) |
- |
(2) |
- |
- |
100 |
|
HD-3C2-G02 |
(2) |
(2) |
(2) |
(2) |
- |
110 |
|
HD-3C3-G02 |
(1) |
(1) |
(1) |
(1) |
(3) |
130 |
|
HD-3C4-G02 |
(2) |
(1) |
(2) |
(2) |
- |
100 |
|
HD-3C40-G02 |
(2) |
(2) |
(2) |
(2) |
- |
80 |
|
HD-3C60-G02 |
(6) |
(6) |
(6) |
(6) |
(3) |
90 |
|
HD-3C9-G02 |
(1) |
(2) |
(1) |
(1) |
- |
100 |
|
HD-3C10-G02 |
(2) |
(1) |
(2) |
(2) |
- |
100 |
|
HD-3C11-G02 |
(1) |
(2) |
(2) |
(2) |
- |
100 |
|
HD-3C12-G02 |
(2) |
(2) |
(2) |
(2) |
- |
100 |
|
HD-2D2-G02 |
(2) |
(5) |
(2) |
(2) |
- |
110 |

產品特性表
|
閥尺寸 |
HD-G02 |
|||||
|
參數 |
最高使用壓力
(kgf/cm²) |
容許背壓(kgf/cm²) |
最大流量(L/min) |
切換頻率(Cycle/min) |
液壓油溫度範圍
(°C) |
液壓油黏度範圍(cst) |
|
315 |
70~160 |
60 |
AC、DC
型:240 RF-N-S 型:120 |
-15~+70 |
10~400 (ISO VG46,68) |
|
注意事項:
1.
無彈簧復歸型(2D2及2D2D型)以水平安裝為佳。
2.
安裝面請保持3.2z的表面粗度以下。
3.
本公司所有產品不建議自行更換零件。
4.
軸心尺寸不同,不可互換。
附件:
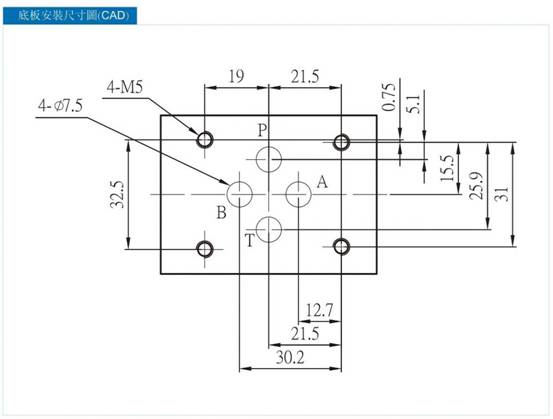
1. G02:閥本體固定內六角螺絲M5x45Lx4支。
2. DL型線圈接頭皆附保護蓋。
3. 閥本體附上保護底板。
尺寸及分解圖

|
|
02DL-DC單頭: 重 1.4㎏ |
|
02DL-DC 雙頭: 重 2.0㎏ |

